¡Importante! Por políticas de la empresa no se muestran los precios de los productos, te enviaremos la cotización formal por correo a la brevedad posible. Descartar
Tipo de ranura
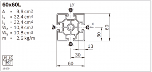
Perfil por milímetro 3842992443
Barra de perfil L= 6070mm 3842557204
Cotizar Barra de Perfil, Cotizar por milimetro
Perfiles con ranura 10 mm ofrecen elevados valores de resistencia.
- Sitio Oficial
- Inicio
- Cotizar
- Perfil Bosch
- Perfil cuadrado
- Perfil tubular
- Accesorios
SUCURSAL MATRIZ QUERÉTARO2da. Cerrada de Quintana RooL 1097 Col . San Isidro Miranda, El Marqués, Qro. C.P. 76240.
contacto@perfilesbosch.com.mx